Destratificador de aire SABIANA NO-STRAT




Conoce más sobre NO-STRAT
Descripción de
NO-STRAT
Los desestratificadores de aire TECNA SABIANA NO-STRAT son el complemento perfecto en instalaciones de calefacción por aire (como aerotermos) al recircular el aire caliente hacia abajo que tiende a estratificarse hacia arriba por su diferente densidad. El control termostático en cada aparato permite configurar la temperatura del aire a la que entra en funcionamiento el desestratificador. También, son idóneos para aumentar la tasa de recirculación de aire en el volumen y mejorar la uniformidad de temperatura ambiente, siendo muy efectivos en instalaciones de hasta 13 m de altura. La gama incluye 8 modelos, con caudales de 2.800 a 13.200 m3/h.
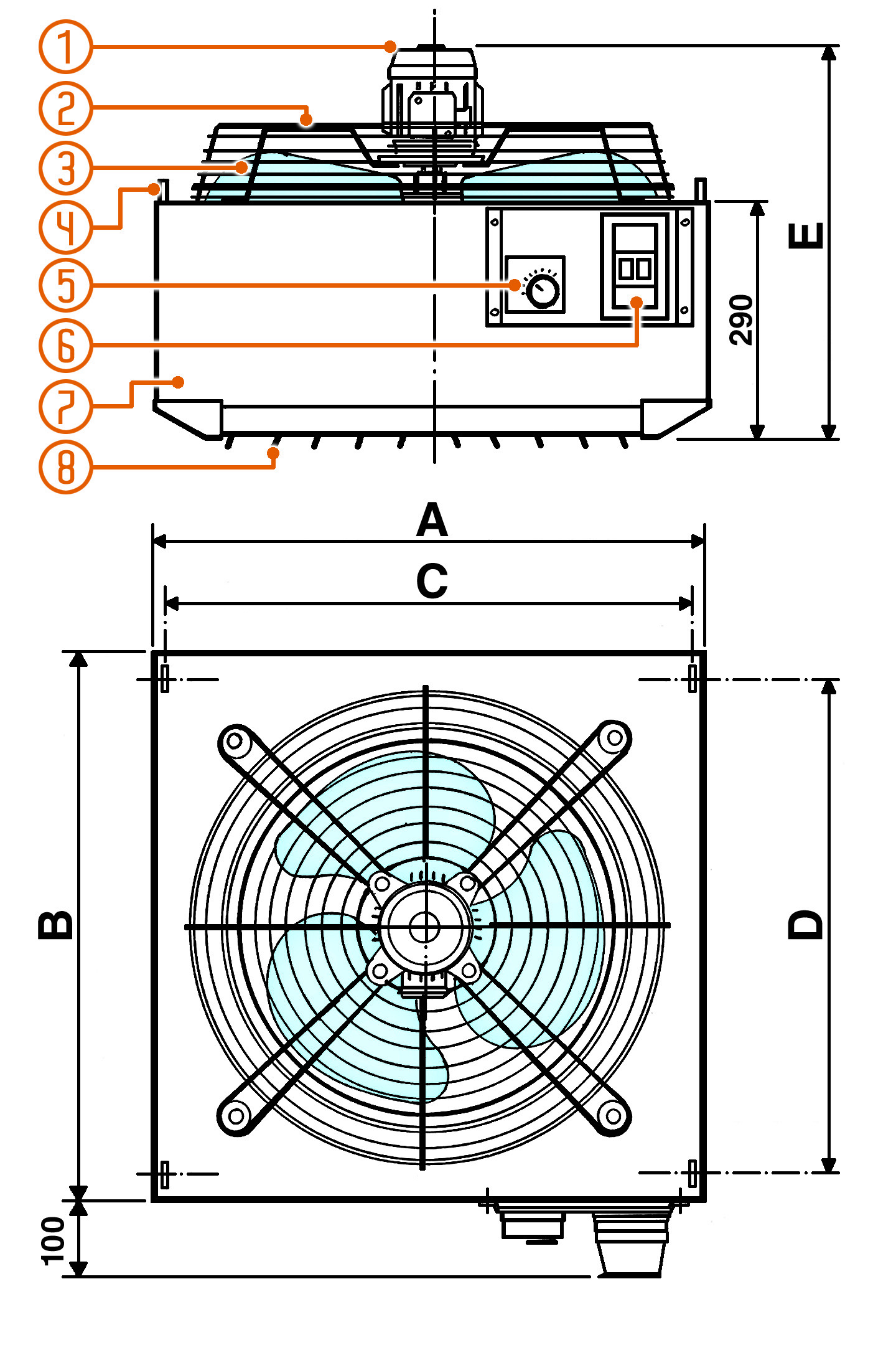
- Es ideal para instalar en el techo de las naves industriales.
- La carcasa está fabricada en chapa de acero galvanizado y pintada en acabado de color gris claro (RAL 9002).
- Las lamas ajustables se mantienen firmes mediante pivotes sujetados por resorte.
- El conjunto del ventilador está formado por el ventilador helicoidal de aluminio y el soporte de seguridad.
- Motor trifásico V400 / 3 de 4 o 6 polos.
- Interruptor de alimentación trifásico V400 / 3 con protección de sobrecarga incorporada.
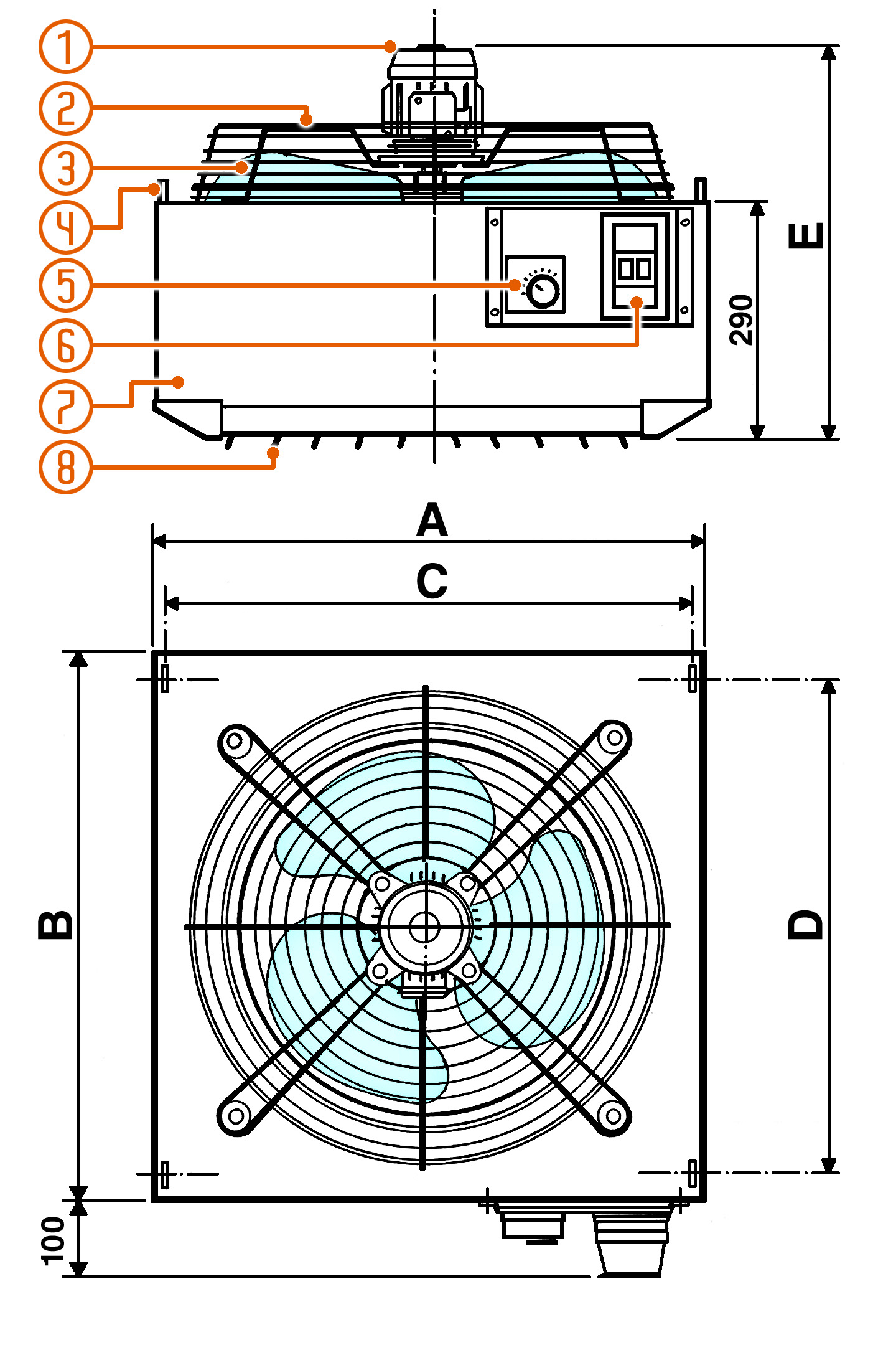
- Motor trifásico 400V/3 de 4 o 6 polos.
- Interruptor de alimentación trifásico 400V/3 con protección de sobrecarga incorporada.
| Modelo | Código | Precio / Unidad (€) | Voltaje y frecuencia | Intensidad (A) | Motor (W) | r.p.m. | Caudal de aire (m3/h) | Altura de instalación Min. (m) | Altura de instalación Max. (m) | Área de influencia (m2) | Nivel sonoro a 5 m (dBA) | Dimensión A (mm) | Dimensión B (mm) | Dimensión E (mm) | Peso (kg) |
|---|---|---|---|---|---|---|---|---|---|---|---|---|---|---|---|
| DNS 450/4 | 4800005100 | 870 € | Trifásica 400V/50Hz | 0.6 | 260 | 1400 | 4300 | 4.5 | 6.5 | 100 | 61 | 634 | 634 | 488 | 20 |
| DNS 450/6 | 4800005101 | 951 € | Trifásica 400V/50Hz | 0.26 | 100 | 900 | 2800 | 3.5 | 6 | 60 | 52 | 634 | 634 | 488 | 20 |
| DNS 500/4 | 4800005102 | 907 € | Trifásica 400V/50Hz | 0.6 | 260 | 1400 | 5500 | 5 | 8 | 150 | 66 | 688 | 688 | 488 | 23 |
| DNS 500/6 | 4800005103 | 987 € | Trifásica 400V/50Hz | 0.3 | 140 | 900 | 3750 | 4 | 8 | 90 | 56 | 688 | 688 | 488 | 23 |
| DNS 550/4 | 4800005104 | 895 € | Trifásica 400V/50Hz | 0.87 | 360 | 1400 | 6300 | 6.5 | 9 | 200 | 69 | 742 | 742 | 513 | 25 |
| DNS 550/6 | 4800005105 | 913 € | Trifásica 400V/50Hz | 0.4 | 150 | 900 | 4600 | 5 | 8.5 | 120 | 60 | 742 | 742 | 513 | 25 |
| DNS 650/6 | 4800005106 | 1.671 € | Trifásica 400V/50Hz | 1.65 | 870 | 900 | 9100 | 6.5 | 11 | 300 | 67 | 900 | 900 | 575 | 33 |
| DNS 750/6 | 4800005107 | 1.744 € | Trifásica 400V/50Hz | 1.65 | 870 | 900 | 13200 | 7 | 13 | 400 | 68 | 1010 | 1010 | 595 | 42 |
Características
Modelos
Documentación Técnica
Accesorios
Repuestos
Características
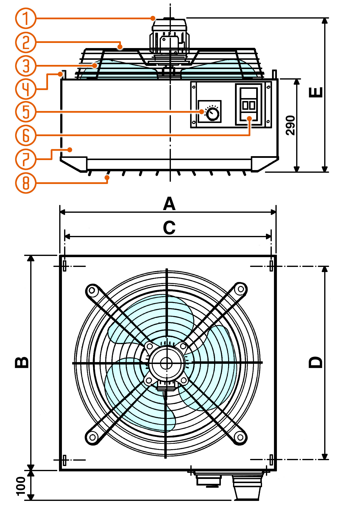
- Motor trifásico 400V/3 de 4 o 6 polos.
- Interruptor de alimentación trifásico 400V/3 con protección de sobrecarga incorporada.
Modelos
| Modelo | Código | Precio / Unidad (€) | Voltaje y frecuencia | Intensidad (A) | Motor (W) | r.p.m. | Caudal de aire (m3/h) | Altura de instalación Min. (m) | Altura de instalación Max. (m) | Área de influencia (m2) | Nivel sonoro a 5 m (dBA) | Dimensión A (mm) | Dimensión B (mm) | Dimensión E (mm) | Peso (kg) |
|---|---|---|---|---|---|---|---|---|---|---|---|---|---|---|---|
| DNS 450/4 | 4800005100 | 870 € | Trifásica 400V/50Hz | 0.6 | 260 | 1400 | 4300 | 4.5 | 6.5 | 100 | 61 | 634 | 634 | 488 | 20 |
| DNS 450/6 | 4800005101 | 951 € | Trifásica 400V/50Hz | 0.26 | 100 | 900 | 2800 | 3.5 | 6 | 60 | 52 | 634 | 634 | 488 | 20 |
| DNS 500/4 | 4800005102 | 907 € | Trifásica 400V/50Hz | 0.6 | 260 | 1400 | 5500 | 5 | 8 | 150 | 66 | 688 | 688 | 488 | 23 |
| DNS 500/6 | 4800005103 | 987 € | Trifásica 400V/50Hz | 0.3 | 140 | 900 | 3750 | 4 | 8 | 90 | 56 | 688 | 688 | 488 | 23 |
| DNS 550/4 | 4800005104 | 895 € | Trifásica 400V/50Hz | 0.87 | 360 | 1400 | 6300 | 6.5 | 9 | 200 | 69 | 742 | 742 | 513 | 25 |
| DNS 550/6 | 4800005105 | 913 € | Trifásica 400V/50Hz | 0.4 | 150 | 900 | 4600 | 5 | 8.5 | 120 | 60 | 742 | 742 | 513 | 25 |
| DNS 650/6 | 4800005106 | 1.671 € | Trifásica 400V/50Hz | 1.65 | 870 | 900 | 9100 | 6.5 | 11 | 300 | 67 | 900 | 900 | 575 | 33 |
| DNS 750/6 | 4800005107 | 1.744 € | Trifásica 400V/50Hz | 1.65 | 870 | 900 | 13200 | 7 | 13 | 400 | 68 | 1010 | 1010 | 595 | 42 |
Documentación Técnica
Accesorios
Repuestos
ACCESORIOS RECOMENDADOS
No se han encontrado productos



